Pletina de Acoplamento Torre Bornay para Aerogeradores
- Sku: BORNACC012
- Fornecedor: Bornay
Especificações
Descrição do produto
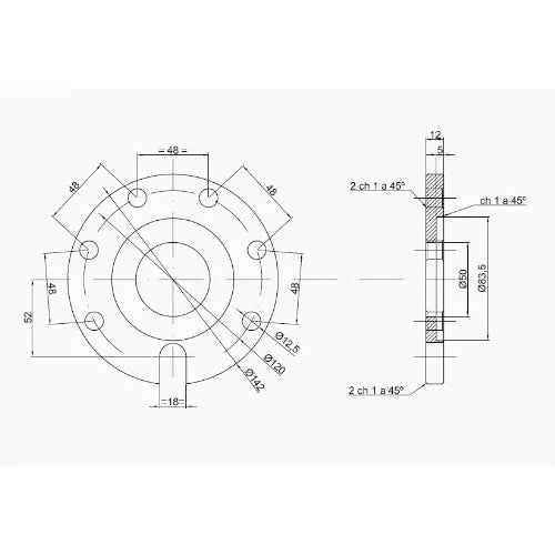
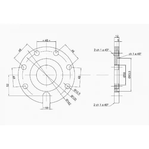
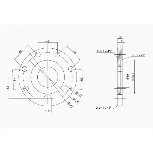
A Chapa de Acoplamento Torre Bornay para Aerogeradores é o componente estrutural que garante a união segura entre os aerogeradores Bornay Wind+ e a respetiva torre. Fabricada em aço de alta resistência, esta chapa serve como interface de acoplamento entre a flange do gerador e a ponta cónica superior da torre, assegurando uma montagem sólida, duradoura e perfeitamente alinhada.
Características principais
- Material: aço galvanizado a quente ou pintado industrialmente
- Design personalizado: padrão de ancoragem conforme o modelo do aerogerador
- Compatibilidade com pontas P400/P750: instalação direta sobre o topo da torre
- Alta resistência mecânica: suporta vibrações, cargas de vento e torção
- Utilização obrigatória: em todas as instalações com torre Bornay e geradores Wind+
Vantagens ou benefícios
- Fixação segura do aerogerador, garantindo estabilidade a longo prazo
- Permite uma montagem profissional entre torre e gerador, sem folgas nem desalinhamentos
- Fabrico robusto que cumpre as exigências das instalações eólicas
- Elemento imprescindível para cumprir com a normativa técnica Bornay
Finalidade ou aplicações
Esta chapa é essencial em instalações eólicas residenciais, rurais ou industriais que utilizem torres Bornay P-750 e aerogeradores Wind+. A sua função é garantir um acoplamento correto entre ambos os elementos, mantendo o alinhamento do eixo de rotação e permitindo uma transmissão eficiente da energia mecânica.
Especificações técnicas
| Material | Aço galvanizado de alta resistência |
| Compatibilidade | Aerogeradores Wind 13+, 25.2+, 25.3+ |
| Instalação | Sobre terminal P400/P750 de torre Bornay |
| Padrão de ancoragem | Conforme modelo de gerador |
| Inclui parafusaria | Opcional conforme kit |
| Tratamento | Galvanizado a quente ou pintado |
Compatibilidades
Este produto é compatível com: Aerogerador Bornay Wind 13+ 1 kW 220 V, Aerogerador Bornay Wind 25.2+ 3 kW 220 V, Aerogerador Bornay Wind 25.3+ 5 kW 220 V, Torre Quadripé Bornay P-750 12 m, Terminal Bornay Torre P400/750.
Pletina de Acoplamento Torre Bornay para Aerogeradores é uma solução profissional que garante a ligação mecânica ideal entre torre e gerador. Proporciona segurança, precisão e durabilidade em qualquer instalação eólica Bornay.
Ter uma questão?

Pletina de Acoplamento Torre Bornay para Aerogeradores





